船用焊接套管
前 言
河北小黄片在线播放管道有限公司專業小黄片下载免费:船艙套管、通艙套管、船用焊接套管、連接套管、疏排水套管、不鏽鋼套管廠家。
1 範圍
本標準規定了船用焊接套管(簡稱套管)連接的分類、技術要求、檢驗和標誌。
本標準適用於介質為海水、淡水、疏排水、燃油、空氣和蒸汽等管路的套管連接。
2 規範性引用文件
GB/T8163-1999 輸送流體用無縫鋼管
Q/SWS50-001-2003 船用無縫鋼管簡選係列
3 分類
3.1 型式
套管的型式規定如下:
TA型—連接套管
TB型—通艙套管
TC型—艙壁套管
TD型—銅管保護套管
3.2 基本參數
套管基本參數見表1。
表1 套管的基本參數
|
型 式 |
公稱壓力 PN MPa |
公稱通徑 DN mm |
設計溫度 ℃ |
介 質 |
|
TA TB TC |
≤1.0 |
10~600 |
≤170 |
蒸汽 |
|
≤90 |
燃油 |
|||
|
≤1.6 |
≤200 |
空氣、水、液壓油開式管路 |
||
|
TD |
≤1.0 |
10~50 |
≤100 |
供水係統 |
3.3 結構和基本尺寸
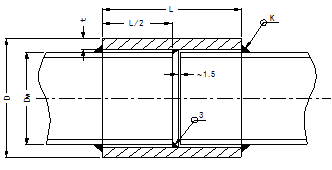
3.3.1 TA型連接套管的結構和基本尺寸按圖1和表2。

圖1 TA型連接套管
表2 TA型連接套管的基本尺寸
單位為毫米
|
公稱 通徑 DN |
管子 外徑 Dw |
套 管 |
焊縫高度 |
重量 (kg) |
||
|
D |
t |
L |
K |
|||
|
10 |
14 |
22 |
3.5 |
40 |
3 |
0.10 |
|
15 |
22 |
32 |
4.5 |
4 |
0.18 |
|
|
20 |
27 |
38 |
5 |
0.20 |
||
|
25 |
34 |
48 |
6 |
50 |
5 |
0.31 |
|
32 |
42 |
57 |
6.5 |
60 |
0.49 |
|
|
40 |
48 |
63.5 |
7 |
0.59 |
||
|
50 |
60 |
76 |
80 |
6 |
0.83 |
|
|
65 |
76 |
95 |
8.5 |
100 |
7 |
1.63 |
|
80 |
89 |
114 |
11 |
120 |
8 |
2.52 |
|
100 |
114 |
140 |
12 |
140 |
9 |
3.79 |
|
125 |
140 |
168 |
13 |
160 |
10 |
5.96 |
|
150 |
168 |
203 |
16 |
200 |
11 |
11.20 |
|
200 |
219 |
254a |
250 |
13 |
19.3 |
|
|
250 |
273 |
308 b |
300 |
28.3 |
||
|
300 |
325 |
365c |
18 |
38.6 |
||
|
350 |
377 |
418d |
350 |
44.4 |
||
|
400 |
426 |
466e |
49.4 |
|||
|
450 |
480 |
520f |
14 |
65.8 |
||
|
500 |
530 |
573g |
19 |
400 |
69.1 |
|
|
600 |
630 |
674 |
20 |
80.5 |
||
|
注:a表示用鋼管¢273×28機械加工成所需尺寸。 b表示用鋼管¢325×25機械加工成所需尺寸。 c表示用鋼管¢377×24機械加工成所需尺寸。 d表示用鋼管¢426×22機械加工成所需尺寸。 e表示用鋼管¢480×26機械加工成所需尺寸。 f表示用厚度18mm鋼板卷製,開坡口雙麵焊,內孔機加工。 g表示用厚度20mm鋼板卷製,開坡口雙麵焊,內孔機加工。 |
||||||
3.3.2 TB型通艙套管的結構和基本尺寸按圖2和表3。

圖2 TB型通艙套管
表3 TB型通艙套管的基本尺寸
單位為毫米
|
公稱 通徑 DN |
管子 外徑 Dw |
套 管 |
開孔直徑 Do |
焊縫高度 |
重量(kg) |
|||
|
D |
t |
L |
K |
K1 |
||||
|
10 |
14 |
22 |
3.5 |
80 |
24 |
3 |
3 |
0.20 |
|
15 |
22 |
32 |
4.5 |
34 |
4 |
0.29 |
||
|
20 |
27 |
38 |
5 |
40 |
4 |
0.48 |
||
|
25 |
34 |
48 |
6 |
100 |
50 |
5 |
0.60 |
|
|
32 |
42 |
57 |
6.5 |
59 |
5 |
0.96 |
||
|
40 |
48 |
63.5 |
7 |
65.5 |
1.13 |
|||
|
50 |
60 |
76 |
120 |
78 |
6 |
1.52 |
||
|
65 |
76 |
95 |
8.5 |
140 |
97 |
6 |
7 |
2.72 |
|
80 |
89 |
114 |
11 |
160 |
116 |
8 |
8 |
4.20 |
|
100 |
114 |
140 |
12 |
180 |
142 |
9 |
9 |
5.69 |
|
125 |
140 |
168 |
13 |
200 |
170 |
10 |
7.45 |
|
|
150 |
168 |
203 |
16 |
250 |
206 |
10 |
11 |
14.5 |
|
200 |
219 |
254a |
300 |
257 |
12 |
13 |
21.3 |
|
|
250 |
273 |
308b |
350 |
311 |
26.1 |
|||
|
300 |
325 |
365c |
18 |
368 |
38.5 |
|||
|
350 |
377 |
418d |
400 |
422 |
43.2 |
|||
表3(續) TB型通艙套管的基本尺寸
單位為毫米
|
公稱 通徑 DN |
管子 外徑 Dw |
套 管 |
開孔直徑 Do |
焊縫高度 |
重量(kg) |
|||
|
D |
t |
L |
K |
K1 |
||||
|
400 |
426 |
466e |
18 |
400 |
469 |
12 |
13 |
59.3 |
|
450 |
480 |
520f |
18 |
450 |
524 |
92.0 |
||
|
500 |
530 |
573 |
19 |
577 |
105.7 |
|||
|
600 |
630 |
674 |
20 |
500 |
678 |
14 |
15 |
120.8 |
|
注:a 表示用鋼管¢273×28機械加工成所需尺寸。 b表示用鋼管¢325×25機械加工成所需尺寸。 c 表示用鋼管¢377×24機械加工成所需尺寸。 d 表示用鋼管¢426×22機械加工成所需尺寸。 e 表示用鋼管¢480×26機械加工成所需尺寸。 f 表示用厚度18mm鋼板卷製,開坡口雙麵焊,內孔機加工。 g 表示用厚度20mm鋼板卷製,開坡口雙麵焊,內孔機加工。 |
||||||||
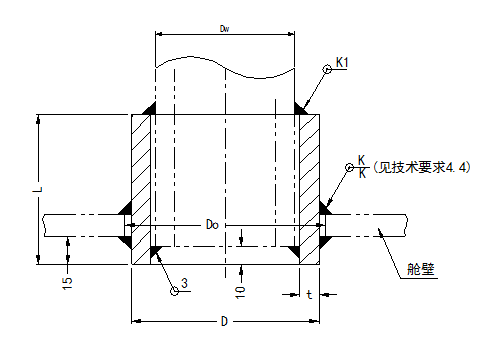
3.3.3 TC型艙壁套管的結構和基本尺寸按圖3和表4。

圖3 TC型艙壁套管
表4 TC型艙壁套管基本尺寸
單位為毫米
|
公稱 通徑 DN |
管子 外徑 Dw |
套 管 |
開孔直徑 Do |
焊縫高度 |
重量(kg) |
|||
|
D |
t |
L |
K |
K1 |
||||
|
10 |
14 |
22 |
3.5 |
60 |
24 |
3 |
3 |
0.20 |
|
15 |
22 |
32 |
4.5 |
34 |
4 |
0.29 |
||
|
20 |
27 |
38 |
5 |
40 |
4 |
0.32 |
||
|
25 |
34 |
48 |
6 |
80 |
50 |
5 |
0.4 |
|
|
32 |
42 |
57 |
6.5 |
59 |
5 |
0.64 |
||
|
40 |
48 |
63.5 |
7 |
65.5 |
0.75 |
|||
|
50 |
60 |
76 |
100 |
78 |
6 |
1.01 |
||
|
65 |
76 |
95 |
8.5 |
97 |
6 |
7 |
1.45 |
|
|
80 |
89 |
114 |
11 |
116 |
8 |
8 |
2.24 |
|
|
100 |
114 |
140 |
12 |
120 |
142 |
9 |
9 |
3.03 |
|
125 |
140 |
168 |
13 |
170 |
10 |
3.97 |
||
|
150 |
168 |
203 |
16 |
150 |
206 |
10 |
11 |
5.80 |
|
200 |
219 |
254a |
257 |
12 |
13 |
8.52 |
||
|
250 |
273 |
308b |
200 |
311 |
10.4 |
|||
|
300 |
325 |
365c |
18 |
368 |
12.3 |
|||
|
350 |
377 |
418d |
422 |
13.8 |
||||
|
400 |
426 |
466e |
469 |
15.8 |
||||
|
450 |
480 |
520f |
250 |
524 |
20.0 |
|||
|
500 |
530 |
573g |
19 |
577 |
21.8 |
|||
|
600 |
630 |
674 |
20 |
300 |
678 |
14 |
15 |
23.2 |
|
注:a 表示用鋼管¢273×28機械加工成所需尺寸。 b表示用鋼管¢325×25機械加工成所需尺寸。 c 表示用鋼管¢377×24機械加工成所需尺寸。 d 表示用鋼管¢426×22機械加工成所需尺寸。 e 表示用鋼管¢480×26機械加工成所需尺寸。 f 表示用厚度18mm鋼板卷製,開坡口雙麵焊,內孔機加工。 g 表示用厚度20mm鋼板卷製,開坡口雙麵焊,內孔機加工。 |
||||||||
3.3.4 TD型銅管保護套管的結構和基本尺寸按圖4和表5。

圖4 TD型銅管保護套管
表5 TD型銅管保護套管的基本尺寸
單位為毫米
|
公稱 通徑 DN |
管子 外徑 Dw |
套 管 |
開孔直徑 Do |
間隙 S |
焊縫高度 K |
重量(kg) |
||
|
D |
t |
L |
||||||
|
15 |
20 |
34 |
5 |
100 |
37 |
4 |
5 |
0.32 |
|
20 |
25 |
38 |
41 |
3 |
0.37 |
|||
|
25 |
30 |
48 |
6 |
51 |
6 |
0.56 |
||
|
32 |
35 |
4.5 |
4 |
0.44 |
||||
|
40 |
45 |
60 |
6 |
63 |
3 |
0.72 |
||
|
50 |
55 |
76 |
7 |
79 |
7 |
1.06 |
||
3.4 標記示例
套管外徑D=76mm,壁厚t=7mm的連接套管標記為:
套管 TA76×7 Q/SWS 34-010-2003
套管外徑D=230mm,壁厚t=16mm的通艙套管標記為:
套管 TB230×16 Q/SWS 34-010-2003
套管外徑D=48mm,壁厚t=5mm的艙壁套管標記為:
套管 TC48×5 Q/SWS 34-010-2003
4 技術要求
4.1 管件中套管材料為10號或20號無縫鋼管,規格選用按Q/SWS 42-001-2003《船用無縫鋼管簡選係列》和GB8163-87《輸送流體用無縫鋼管》。
4.2 用於非油類介質時應鍍鋅。
4.3 管件穿過的艙壁厚度過大,應根據規範決定本標準是否需要加強。
4.4 管件無法雙麵焊時,可用不留根坡口單麵焊。當艙壁厚度b≤k時,則取k=b。
5 檢驗
5.1 套管由製造廠技術檢查部門驗收,並出具合格證書。
5.2 驗收內容包括材料說明書,尺寸和外觀。
6 標誌
焊接套管應在其表麵上打印下列標誌:
- a. 型號和標準號;
- b.檢驗合格印章。
- 聯係電話- 0317-6689999 6165555
- 業務郵箱- 9905791@qq.com
- 公司地址- 河北省滄州市鹽山縣城南工業開發區(中原管道南廠)
- 聯係手機-15530461111(微信同步)-孟經理
- 聯係電話- 0317-6689999 6165555
- 業務郵箱- 9905791@qq.com
- 公司地址- 河北省滄州市鹽山縣城南工業開發區(中原管道南廠)
- 聯係手機-15530461111(微信同步)-孟經理
版權所有:河北小黄片在线播放管道有限公司 冀ICP備65132533號-6
熱線:0317-6165555
9905791@qq.com